Published:2011/3/27 22:36:00 Author:may | Keyword: RC coupled amplifier circuit, Adjustable volume amplifier | From:SeekIC

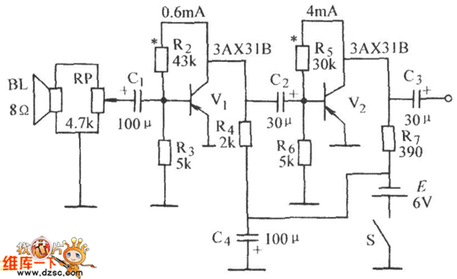
Adjustable volume RC coupled amplifier circuit is shown in the diagram:
Reprinted Url Of This Article:
http://www.seekic.com/circuit_diagram/Amplifier_Circuit/Adjustable_volume_RC_coupled_amplifier_circuit.html
Print this Page | Comments | Reading(3)
Code: