Published:2013/4/1 2:43:00 Author:Ecco | Keyword: 22 Watt Audio Amplifier | From:SeekIC

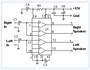
The 22 watt amp is easy to build, and very inexpensive. The circuit can be used as a booster in a car audio system, an amp for satellite speakers in a surround sound or home theater system, or as an amp for computer speakers. The circuit is quite compact and uses only about 60 watts.
Reprinted Url Of This Article:
http://www.seekic.com/circuit_diagram/Amplifier_Circuit/Amplifier_Circuits-Audio/22_Watt_Audio_Amplifier_electronic_circuit_diagram.html
Print this Page | Comments | Reading(3)
Code: