Published:2013/3/13 1:20:00 Author:Ecco | Keyword: 35W , Audio Amplifier | From:SeekIC

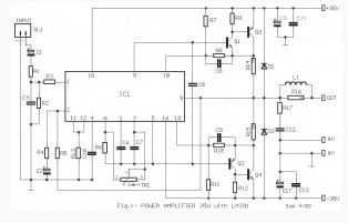
This is the circuit diagram of a 35W audio amplifier based on LM391. The LM391 is a comprehensive driver to the power transistors. It needs only few external components to work. With the TR1 we can adjust the bias current to 45mA. Inductor L1 consists of 20 turns of wire thickness of 0.9mm, around the resistor R16. The transistors Q3-4 must be placed onto a heatsinks. If you use the Q3-4 with type of TIPxxxx, you can be placed directly onto the board. But if you use packaged transistors TO-3, then it should be connected with short cables to the respective positions of the board.
Reprinted Url Of This Article:
http://www.seekic.com/circuit_diagram/Amplifier_Circuit/Amplifier_Circuits-Audio/35W_Audio_Amplifier_based_LM391.html
Print this Page | Comments | Reading(3)
Code: