Published:2012/9/12 20:55:00 Author:Ecco | Keyword: 40 Watt, Audio power Amplifier | From:SeekIC

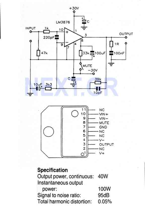
This Circuit is based on the LM3876. A 11-pin plastic package IC with high performance audio power amplifier, an output mute function which can be used to eliminate switch-on and switch-off thumps to the loudspeaker load. It is capable of delivering 40W continuously into 8ohm load, and is fully protected using established techniques. The output stage is protected against short circuit to ground or either supply rail. Protection against transients from inductive loads is also provided at the output stage via internal clamp diodes.
Source: NEXT.GR
Reprinted Url Of This Article:
http://www.seekic.com/circuit_diagram/Amplifier_Circuit/Amplifier_Circuits-Audio/40_Watt_Audio_power_Amplifier_LM3876.html
Print this Page | Comments | Reading(3)
Code: