Published:2009/7/10 1:43:00 Author:May | From:SeekIC

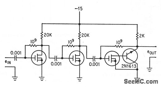
Metal oxide semkonductor transistors (p-mosts) in Darlington contguration give high input impedance and low output impedance from 5 cps to 72 kc.-F. M. Wanklss, Novel Field-Effect Devke Provides Broadband Gain, Electronics, 36A4, p 30-33.
Reprinted Url Of This Article:
http://www.seekic.com/circuit_diagram/Amplifier_Circuit/Amplifier_Circuits-Audio/BROADBAND_WITH_GAIN_OF_1350.html
Print this Page | Comments | Reading(3)
Code: