Published:2011/7/10 19:18:00 Author:leo | Keyword: Dual-audio, power amplifier | From:SeekIC



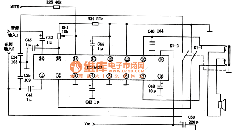
CXA1622 is a dual channel power amplifier integrated circuit produced by Sony Company in Japan which is widely used in low voltage recorder, walk man and computer stereo system.1. CXA1622 inner circuit diagram and pin functions:CXAl278N contains two similar power amplifier, record play back amplifier, electric volume control circuit and BTL stereo converting circuit. It uses 16-pin dual-line package. The inner circuit diagram of CXA1622 is shown in the picture 1.2. CXAl278N classic applying circuit is shown in the picture 2.
Reprinted Url Of This Article:
http://www.seekic.com/circuit_diagram/Amplifier_Circuit/Amplifier_Circuits-Audio/CXAl622_dual_audio_power_amplifier_circuit.html
Print this Page | Comments | Reading(3)
Code: