Published:2011/7/13 20:09:00 Author:leo | Keyword: Single chip, playback | From:SeekIC



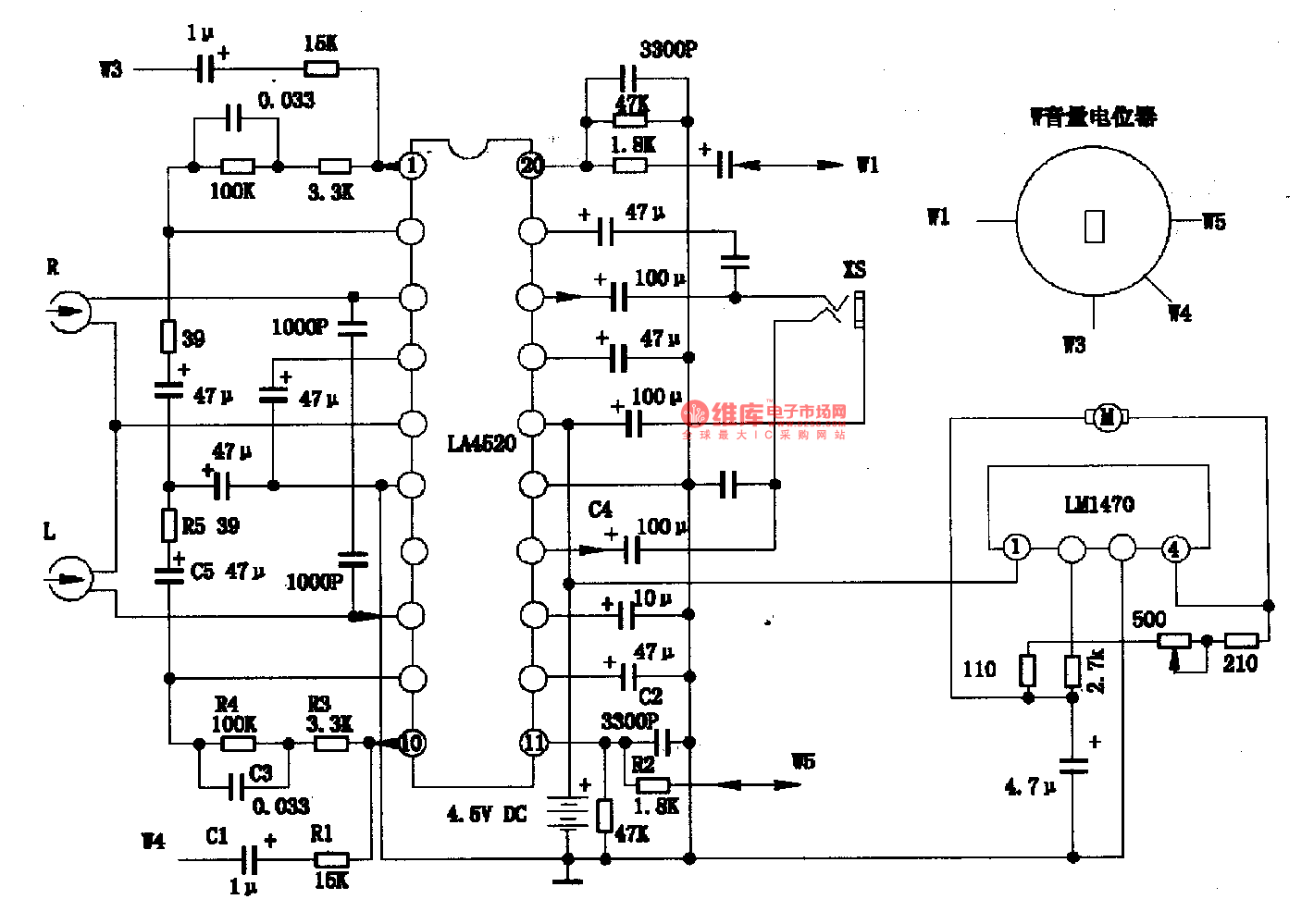
LA4520 is a single chip playback integrated circuit produced by Sanyo Company in Japan, which is widely used in all kinds of playersand recording playback devices. 1. LA4520 inner circuit diagram and pin functions:LA4533M contains two similar fronted power amplifiers, and stereo system circuit. It uses 20-pin dual-line package. The inner circuit diagram of LA4520 is shown in the picture 1-1.2. LA4520 classic applying circuit is shown in the picture 1-2.3. Signal processPicture 1-3 gives the whole process of the play signals.
Reprinted Url Of This Article:
http://www.seekic.com/circuit_diagram/Amplifier_Circuit/Amplifier_Circuits-Audio/LA4520_Single_chip_playback_integrated_circuit.html
Print this Page | Comments | Reading(3)
Code: