Published:2009/6/18 23:48:00 Author:May | From:SeekIC

Reprinted Url Of This Article:
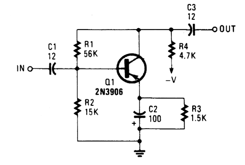
http://www.seekic.com/circuit_diagram/Amplifier_Circuit/Amplifier_Circuits-Audio/LOW_LEVEL_AUDIO_AMPLIFIER.html
Print this Page | Comments | Reading(3)
Code: