Published:2011/4/29 4:29:00 Author:Rebekka | Keyword: discrete device, Video amplification | From:SeekIC

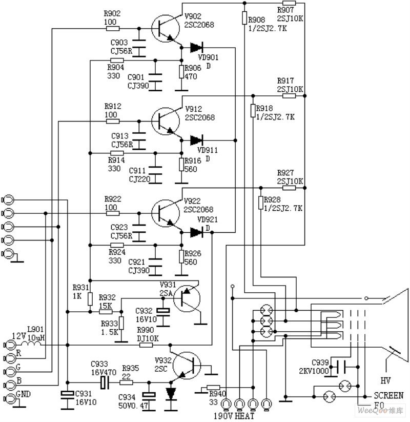
Video amplification circuit composed of discrete device.
Reprinted Url Of This Article:
http://www.seekic.com/circuit_diagram/Amplifier_Circuit/Amplifier_Circuits-Audio/Video_amplification_circuit_composed_of_discrete_device.html
Print this Page | Comments | Reading(3)
Code: