Published:2011/7/13 20:00:00 Author:leo | Keyword: Single chip, Audio, Integrated circuit | From:SeekIC

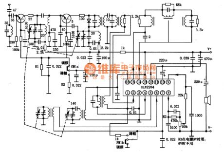
ULN204, ULN2204A and ULN2204A—21 are a kind of single chip audio integrated circuit used in pocket-sized radio and other kinds of radios.
1.ULN2204 integrated chip inner circuit diagram and pin functions:ULN2204 AM part contains AGC, MIX, LO, ZF and detecting circuit. The AM part does not include AGC and MIX circuit but only ZF and frequency discrimination circuit. Its pin functions are shown in the picture.
2.ULN2204 main parameters:The integrated circuit ULN2204 has a operating power supply voltage coverage of 3 V to 12 V with the classic voltage of 4.5 V.(1)When Ta is 25℃ and Vcc is 13V, the power consumption P(D) is 600 mW and current I(REY) is 60 mA.(2)Other main parameters are shown in the picture.
Reprinted Url Of This Article:
http://www.seekic.com/circuit_diagram/Amplifier_Circuit/Amplifier_Circuits-Vacuum_Tube/ULN2204LN2204ALN2204A_21_single_chip_audio_integrated_circuit.html
Print this Page | Comments | Reading(3)
Code: