Published:2011/3/21 0:56:00 Author:may | Keyword: Amplifier, output current | From:SeekIC

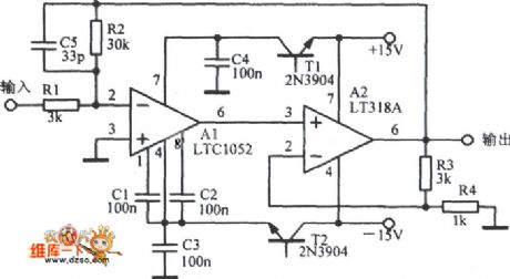
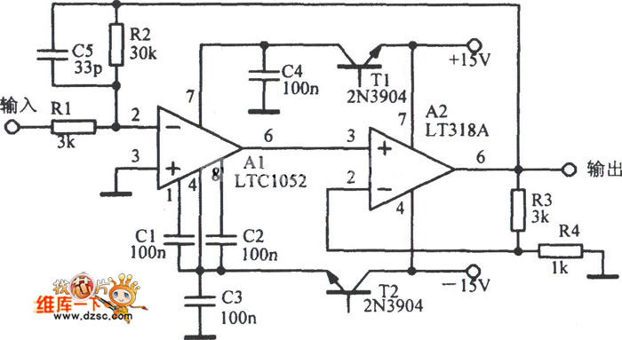
Amplifier circuit with output current is show in the following diagram:
Reprinted Url Of This Article:
http://www.seekic.com/circuit_diagram/Amplifier_Circuit/Amplifier_circuit_with_output_current.html
Print this Page | Comments | Reading(3)
Code: