Published:2012/9/11 20:27:00 Author:Ecco | Keyword: Attenuator | From:SeekIC

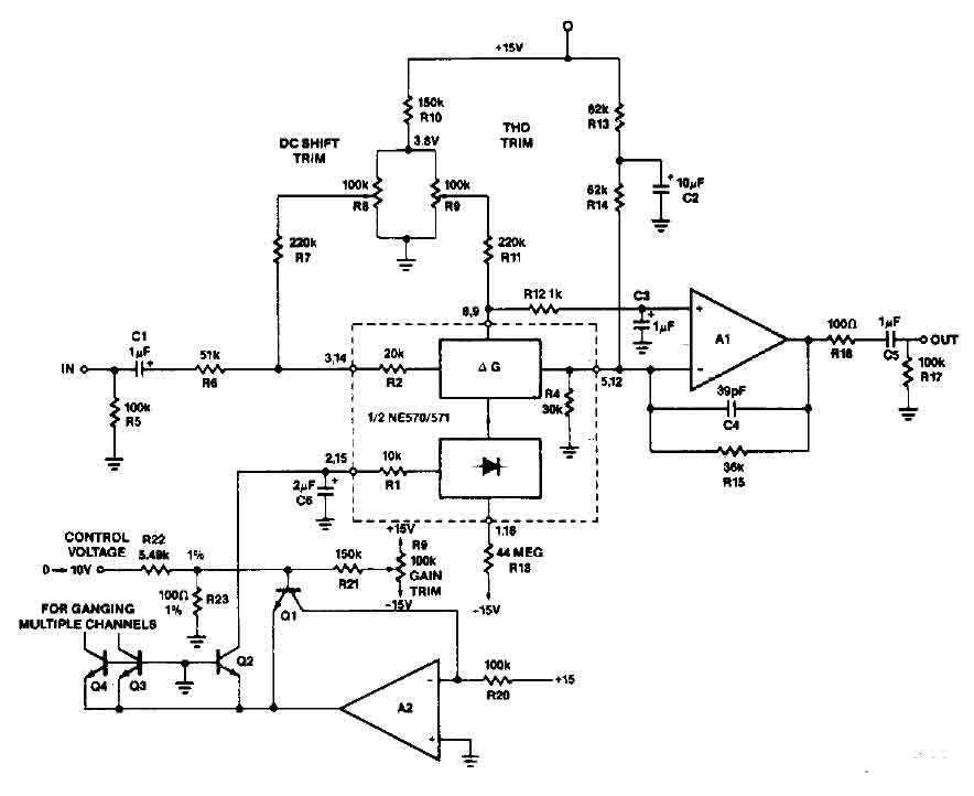
A op amp and transistors Q1 and Q2 exponential converter to generate an exponential gain control current, which is introduced into the rectifier. A reference current of 150 pA, (15 V and RZO = lOO-k), is attenuated by a factor of two (6 dB) for each increase of tension in the control voltage. Capacitor C6 slows secure changes to a period of 20 IDS constant (C6 x IR) such that a sudden change in the control voltage will produce a gain change smooth sound. RI8 ensures that for control voltages of the circuit will go to great attentuation full.
Reprinted Url Of This Article:
http://www.seekic.com/circuit_diagram/Amplifier_Circuit/Attenuator_circuit.html
Print this Page | Comments | Reading(3)
Code: