Published:2011/5/16 20:48:00 Author:Borg | Keyword: integrated circuit, PLL, frequency modulation(FM) | From:SeekIC



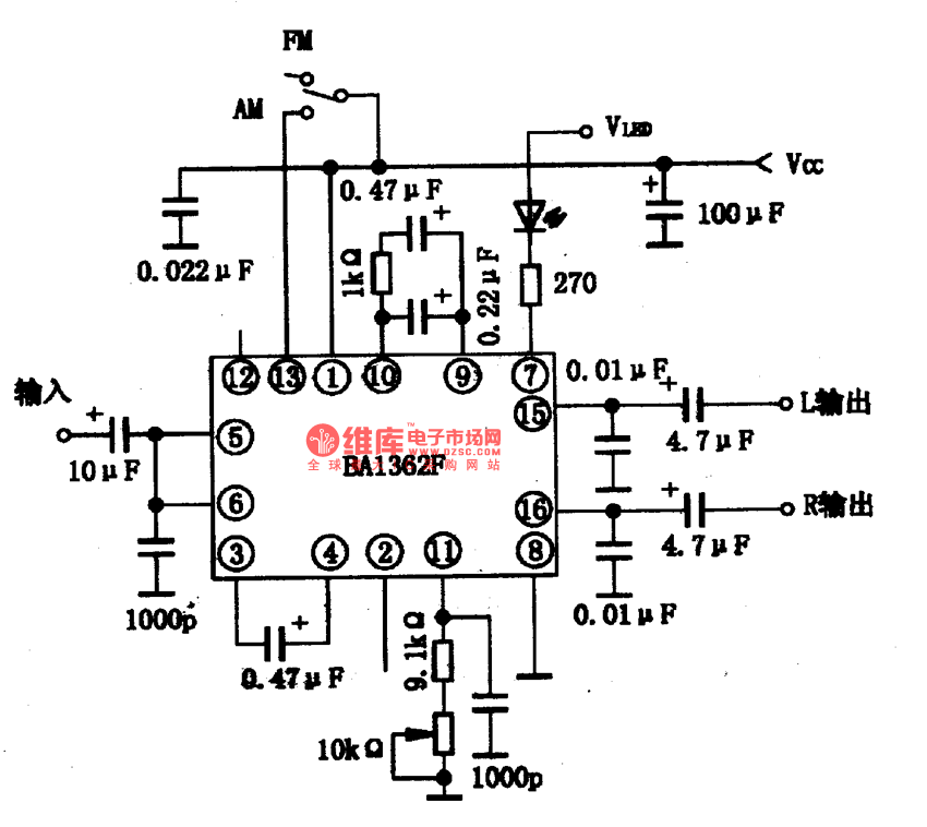
BA1362F is a stereo decoding integrated circuit of PLL frequency modulation produced by Toyo Power Tool Corp., Japan, which is used in micro radios of 1.5V as a decoding circuit.1.the internal circuit and pin functions of BA1362FBA1362 uses PLL technology, which can separate balance audio signals from compound stereo signals. It characterizes with advantages of low working voltage and good decompression function, and its gain can be adjusted to +2.5dB and 0dB. Since the internal of the input circuit is connected well, so the outward elements won't be necessary. The internal circuit of the chip is shown in Figure 1.
Reprinted Url Of This Article:
http://www.seekic.com/circuit_diagram/Amplifier_Circuit/BA1362F_the_stereo_decoding_integrated_circuit_of_PLL_frequency_modulationFM.html
Print this Page | Comments | Reading(3)
Code: