Published:2011/5/18 23:50:00 Author:Borg | Keyword: integrated reproducing circuit, single door | From:SeekIC



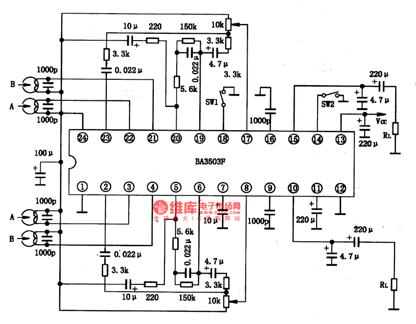
BA3503F is an integrated reproducing circuit of single door stereo produced by Toyo Power Tool Corp., Japan, which is an integrated preamplifier of 4-input auto-switching dual-channel. It is fit for small-sized low-voltage auto-reversing radios. 1.the internal circuit and pin functions of BA3503F BA3503F contains 2-channel preamplifier and separated 2-channel power amplifier circuit, whose internal circuit is shown in Figure 1. It is in flat 24-lead dual line package, and its pin functions and data are listed in Table 1.
Reprinted Url Of This Article:
http://www.seekic.com/circuit_diagram/Amplifier_Circuit/BA3503F_the_integrated_reproducing_circuit_of_single_door_stereo.html
Print this Page | Comments | Reading(3)
Code: