Published:2011/6/10 3:23:00 Author:Borg | Keyword: integrated circuit, single door | From:SeekIC






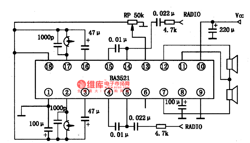
EM78811 is an integrated circuit of stereo reproducing single door, which is widely used in walk-man and portable radios.1.The internal circuit and pin functions of BA3521BA3521 contains 2-channel pre-stage, 2-channel headphone power amplifier, power volume control circuit and mute circuit while power supply is on. The internal circuit of is as shown in Figure 1. It is in 18-lead dual in-line package, whose pin functions are listed in Table 1.
2.Main parameters of BA35213.The typical application circuit of BA3521
Reprinted Url Of This Article:
http://www.seekic.com/circuit_diagram/Amplifier_Circuit/BA3521_the_integrated_circuit_of_stereo_reproducing_single_door.html
Print this Page | Comments | Reading(3)
Code: