Published:2011/5/14 8:22:00 Author:Borg | Keyword: reproducing circuit, single door stereo | From:SeekIC


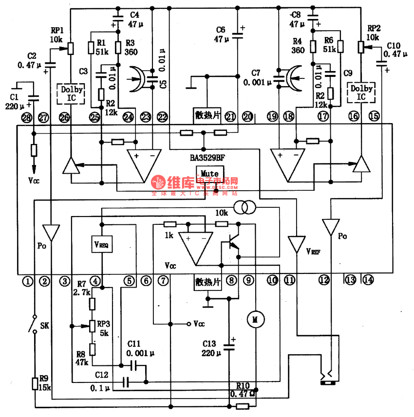
BA3529BFis an integrated reproducing circuit of single door stereo produced by ROHM Corp., Japan, which is often used in Aiwa walk-man.1.main parameterspower supply voltage range:1.8-6V, typical voltage:3V.Maximum power: 750mW.Stereo spread:45dB.Output power of each channel:when the power supply voltage is 3V, RL=16Ω,THD=10%, the Po is 34mA。2.the internal circuitBA3529BF contains all the circuits that stereo radios need: 2-channel preamplifier, 2-channel power amplifier, mute circuit and electronic speed-stable circuit.
Reprinted Url Of This Article:
http://www.seekic.com/circuit_diagram/Amplifier_Circuit/BA3529BF_the_integrated_reproducing_circuit_of_single_door_stereo.html
Print this Page | Comments | Reading(3)
Code: