Published:2009/6/24 23:30:00 Author:May | From:SeekIC

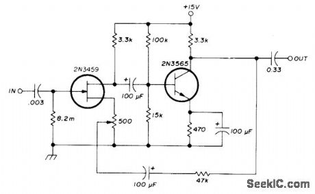
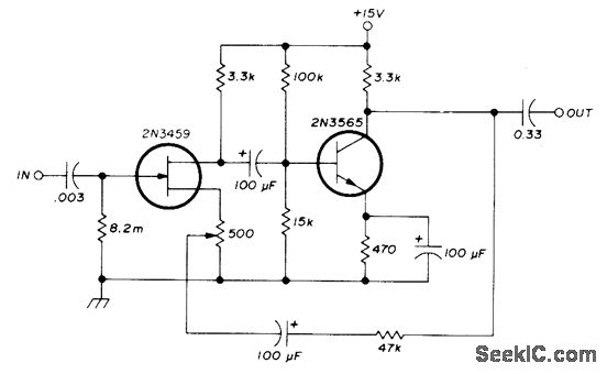
Combination of unipolar and bipolar transistors gives desirable amplifying features of each solid.state device.Circuit can be optimized for RF or AF by ad justing coupling, feedback, and emitter bypass capacitor values. Changes in feedback affect dis-tortion, frequency response, and gain stability.To optimize for RF reduce capadtor sizes. For both AF and RF response, capacitors shown can be paralleled by small ceramic or Mylar units. If FET and bipolar are selected for high transcon-ductance and high gain-bandwidth product, overall voltage gain can be 20 or more for fre-quencies up to several megahertz.-I. M. Gott-Iieb,A New Look at Solid- State Amplifiers, Ham Radio, Feb. 1976, p 16-19.
Reprinted Url Of This Article:
http://www.seekic.com/circuit_diagram/Amplifier_Circuit/BASIC_FEEDBACK_AMPLlFlER.html
Print this Page | Comments | Reading(3)
Code: