Published:2009/7/2 0:38:00 Author:May | From:SeekIC

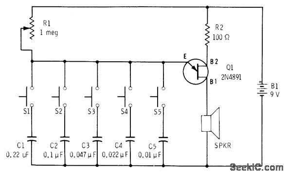
Switches give choice of five audio frequencies for simple transistor oscillator driving loudspeaker. Adiust R1 for best combination of sounds. Capacitorvalues can be changed to give other frequencies. Ideal for classroom demonstrations.-F. M. Mims. Electronic Music Projects. Vol. Radio Shack. Fort Worth. TX. 1977. 2nd Ed., p 37-43.
Reprinted Url Of This Article:
http://www.seekic.com/circuit_diagram/Amplifier_Circuit/BASIC_UJT_ORGAN.html
Print this Page | Comments | Reading(3)
Code: