Published:2009/6/19 1:58:00 Author:May | From:SeekIC

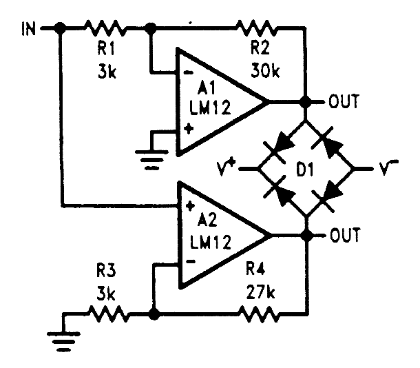
These bridge connections provide differential outputs that approach twice the total supply voltage. Diode bridge clarnps output to the supplies.
Reprinted Url Of This Article:
http://www.seekic.com/circuit_diagram/Amplifier_Circuit/BRIDGE_CONNECTION_OF_TWO_POWER_op_AMPS.html
Print this Page | Comments | Reading(3)
Code: