Published:2011/5/16 7:57:00 Author:Christina | Keyword: Broadband, amp circuit | From:SeekIC

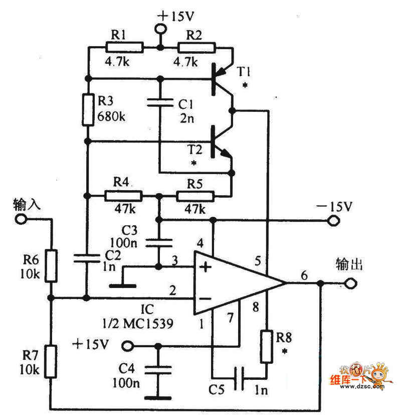
The Broadband amp circuit is as shown:
Reprinted Url Of This Article:
http://www.seekic.com/circuit_diagram/Amplifier_Circuit/Broadband_amp_circuit.html
Print this Page | Comments | Reading(3)
Code: