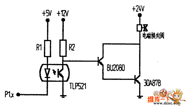
Published:2011/3/29 3:58:00 Author:Nicole | Keyword: butterfly valve | From:SeekIC

Reprinted Url Of This Article:
http://www.seekic.com/circuit_diagram/Amplifier_Circuit/Butterfly_valve_drive_circuit_diagram.html
Print this Page | Comments | Reading(3)
Code: