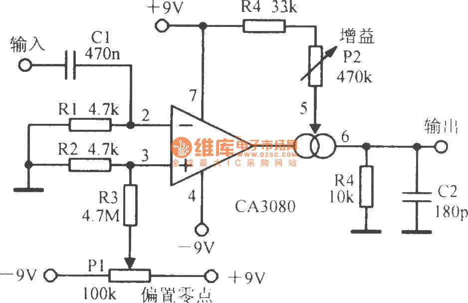
Published:2011/12/6 20:26:00 Author:Ecco | Keyword: variable gain , amplifier | From:SeekIC

Reprinted Url Of This Article:
http://www.seekic.com/circuit_diagram/Amplifier_Circuit/CA3080_variable_gain_amplifier_circuit.html
Print this Page | Comments | Reading(3)
Code: