Published:2009/7/10 2:24:00 Author:May | From:SeekIC

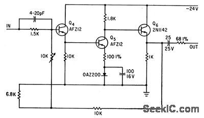
Used between wideband integrator and l85-ohm cable. With voltage gain of 3, bandwidth is l8 Mc without overshoot for pulse signcds.-S.Berglund and so Westerlund,Probes for Plosma Research with Wideband Integrators,Electronics,35:24,p 44-45.
Reprinted Url Of This Article:
http://www.seekic.com/circuit_diagram/Amplifier_Circuit/CABLE_DRIVING_AMPLIFIER.html
Print this Page | Comments | Reading(3)
Code: