Published:2009/7/15 2:21:00 Author:Jessie | From:SeekIC

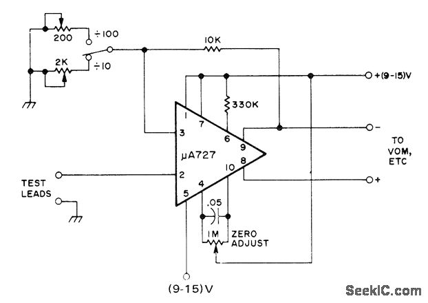
Used to extend low range of VOM or CRO and provide very high input impedance (above 1000 megohms), Gain of amplifier from DC up to several hundred kilohertz is determined by ratio of 10K feedback resistor to 200- or 2000- ohm preset pot. Action is noninverting Maximum input voltage range is ±10V Dual battery supply must be used To calibrate, short input test leads and adjust 1-megohm pot for zero on VOM or other indicating instrument.-J. J. Schultz, Versatile Test Equipment Range Extender, 73 Magazine,Nov 1973, p 59-62.
Reprinted Url Of This Article:
http://www.seekic.com/circuit_diagram/Amplifier_Circuit/CALIBRATED_GAIN_AMPLIFIER.html
Print this Page | Comments | Reading(3)
Code: