Published:2009/7/10 4:51:00 Author:May | From:SeekIC

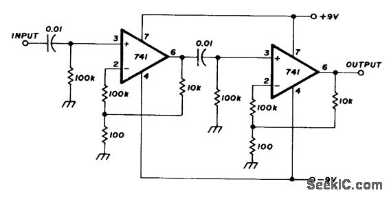
Two opamps in series provide 80 dB of audio gain with bandwidth of about 300 to 6000 Hz. Gain of each opamp is set at 100. With three stages, bandwidth would be 5100 Hz. Output will drive loudspeaker at comfortable room level, if fed through 1-μF nonpolarized capacitor to output transformer having 500-ohm primaryand 8-ohm secondary.-C.Hall, Circuit Design with the 741 Op Amp, Ham Radio, April 1976, p 26-29.
Reprinted Url Of This Article:
http://www.seekic.com/circuit_diagram/Amplifier_Circuit/CASCADED_741_OPAMPS.html
Print this Page | Comments | Reading(3)
Code: