Published:2009/6/25 21:16:00 Author:Jessie | From:SeekIC

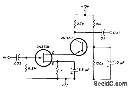
Combination of unipolar and bipolartransistors gives desirable amplifying fea-tures of each solid-state device. Ideal for use whh tuned circuits in audio, video, IF, and RF applications.-I. M. Gottlieb, A New Look at Solid-State Amplifiers, Ham fladio, Feb. 1976, p16-19.
Reprinted Url Of This Article:
http://www.seekic.com/circuit_diagram/Amplifier_Circuit/CASCODE.html
Print this Page | Comments | Reading(3)
Code: