Published:2009/7/10 1:54:00 Author:May | From:SeekIC

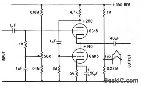
Output is 20 v peak-to-peak into 1,000 ohms, down to 5 cps, with high stability.-R. W. Johnson, Circuit with a Twist: The cascode 36:49,p 69-70.
Reprinted Url Of This Article:
http://www.seekic.com/circuit_diagram/Amplifier_Circuit/CASCODE_FOLLOWER.html
Print this Page | Comments | Reading(3)
Code: