Published:2009/7/10 2:20:00 Author:May | From:SeekIC

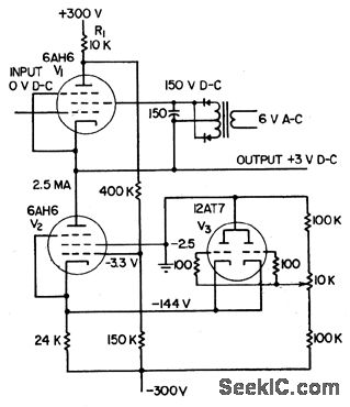
Used to couple high-impedance source to low-impedance output without attenuating or loading source signal. Output impedance is 50 ohms and respomse is lat within 3 db front d-c to 250 kc. Circuit delivers outputs from -140 to +210 v at -0.8 to +2 ma.Feedback through pentade helps maintain unity gain.-Cathode-Follower Gain Approaches Unity, Electronics, 31:1, p 94-96.
Reprinted Url Of This Article:
http://www.seekic.com/circuit_diagram/Amplifier_Circuit/CATHODE_EOLLOWER_WITH_099963_GAIN.html
Print this Page | Comments | Reading(3)
Code: