Published:2009/7/15 23:21:00 Author:Jessie | From:SeekIC

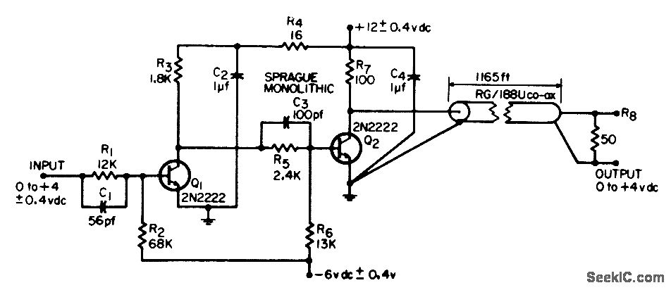
Can drive digital information through long lengths of coaxial cable. Will send pulses with 30-nsec rise and fall time through 1,155 feet of 50-ohm RG/ 188U or through 650 feet of 93-ohm RG/ 62U.-B. Strunk, Coaxial Cable Driver Circuit, EEE, 13:5, p 43-44.
Reprinted Url Of This Article:
http://www.seekic.com/circuit_diagram/Amplifier_Circuit/COAXIAL_CABLE_DRIVER.html
Print this Page | Comments | Reading(3)
Code: