Published:2009/7/11 3:31:00 Author:May | From:SeekIC

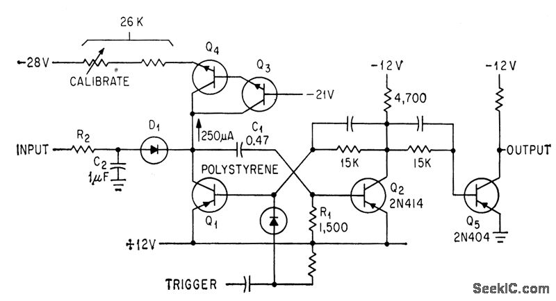
Circuit determines when output of ramp genercttor crosses 0V and crosses unknown voltage. Transistor Q5 isolates mono Q1-Q2 from output iogic. Iransistors Q3 amd Q4 provide constant current for charging C1 linearly to produce high-accurctcy ramp.-R.C. Weinberg, Modified Ramp Generator Develops High D-C input impedance, Electronics, 37:8, p33-35.
Reprinted Url Of This Article:
http://www.seekic.com/circuit_diagram/Amplifier_Circuit/COMPARATOR_FOR_SOLID_SlAlE_DIGITAL_VOLTMETER.html
Print this Page | Comments | Reading(3)
Code: