Published:2009/7/14 22:14:00 Author:Jessie | From:SeekIC

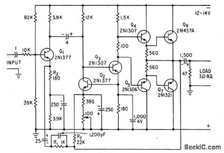
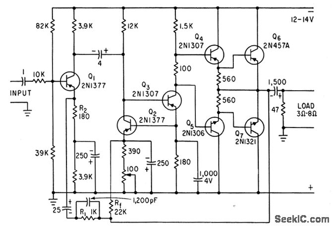
Provides nearly maximum power theoreticallyavailable from single d-c supply.Distortion is low,large feedbacks, both a-c and d-c, make amplifier insensitive to unbalance of output transistors.-R. S. Richards, How to Design Transformerless Audio-Frequency Power Amplifers, Electronics, 35:46, p 50-52.
Reprinted Url Of This Article:
http://www.seekic.com/circuit_diagram/Amplifier_Circuit/COMPLEMENTARY_SYMMEIRY_AUDIO_AMPLIFIER.html
Print this Page | Comments | Reading(3)
Code: