Published:2009/7/23 23:40:00 Author:Jessie | From:SeekIC

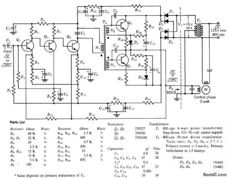
Includes direct-coupled preamplifier and driver stages, with considerable d-c feedback to stabilize bias conditions. Voltage gain of amplifier with feedback loop closed is 10,000. Overall efficiency is 50%. Input impedance is 10,000 ohms and output impedance is 150 ohms.-Texas Instruments Inc., Transistor Circuit Design, McGraw-Hill, N.Y., 1963, p 247.
Reprinted Url Of This Article:
http://www.seekic.com/circuit_diagram/Amplifier_Circuit/COMPLETE_2_W_SERVO_AMPLIFIER.html
Print this Page | Comments | Reading(3)
Code: