Published:2009/7/10 1:28:00 Author:May | From:SeekIC

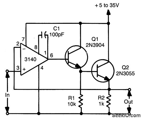
By using an emitter-follower or a Darlington pair, a voltage-follower op amp configuration can source higher currents than the op amp otherwise could.
Reprinted Url Of This Article:
http://www.seekic.com/circuit_diagram/Amplifier_Circuit/COMPOUND_OP_AMP.html
Print this Page | Comments | Reading(3)
Code: