Published:2009/7/15 23:19:00 Author:Jessie | From:SeekIC

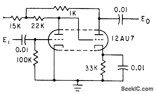
Modified direct-coupled inverse-feedback pair of triodes handles negative pulse groups only if not too closely spaced. May be used in command guidance, radar beacon, and pulse communication applications.-R. E. Koncen, Wide-Range Multiple-Pulse Amplifier, Electronics, 33:38, p 78-81.
Reprinted Url Of This Article:
http://www.seekic.com/circuit_diagram/Amplifier_Circuit/CRYSTAL_VIDEO_RECEIVER_AMPLIFIER.html
Print this Page | Comments | Reading(3)
Code: