Published:2009/7/10 1:41:00 Author:May | From:SeekIC

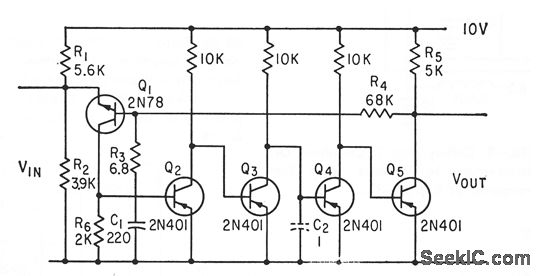
Bridge-derived stabilization In direct-coupled a-c amplifier Provdes current sensitivity of 0.1 microamp per ma of output current.-P.Laakmann, Direct Coupling Shrinks Ampliler Size and Cost, Electronics, 36:12, p 66-68.
Reprinted Url Of This Article:
http://www.seekic.com/circuit_diagram/Amplifier_Circuit/CURRENT_DERIVED__STABILIZATION.html
Print this Page | Comments | Reading(3)
Code: