Published:2009/7/21 8:07:00 Author:Jessie | From:SeekIC

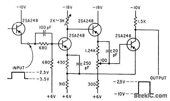
Conventional current-feedback version, In which one of the two active transistor elements is generally cut off, Per-forms reliably even though optimum operating regions for transistors cannot always be achieved.-H. Inose, Y. Yoshida, and H. Toda, Noncutoff Circuits Improve Trigger Switching, Electronics, 35:30, p 36-39.
Reprinted Url Of This Article:
http://www.seekic.com/circuit_diagram/Amplifier_Circuit/CUTOFF_SCHMITT.html
Print this Page | Comments | Reading(3)
Code: