Published:2011/5/17 23:33:00 Author:Borg | Keyword: integrated microcomputer, single door | From:SeekIC



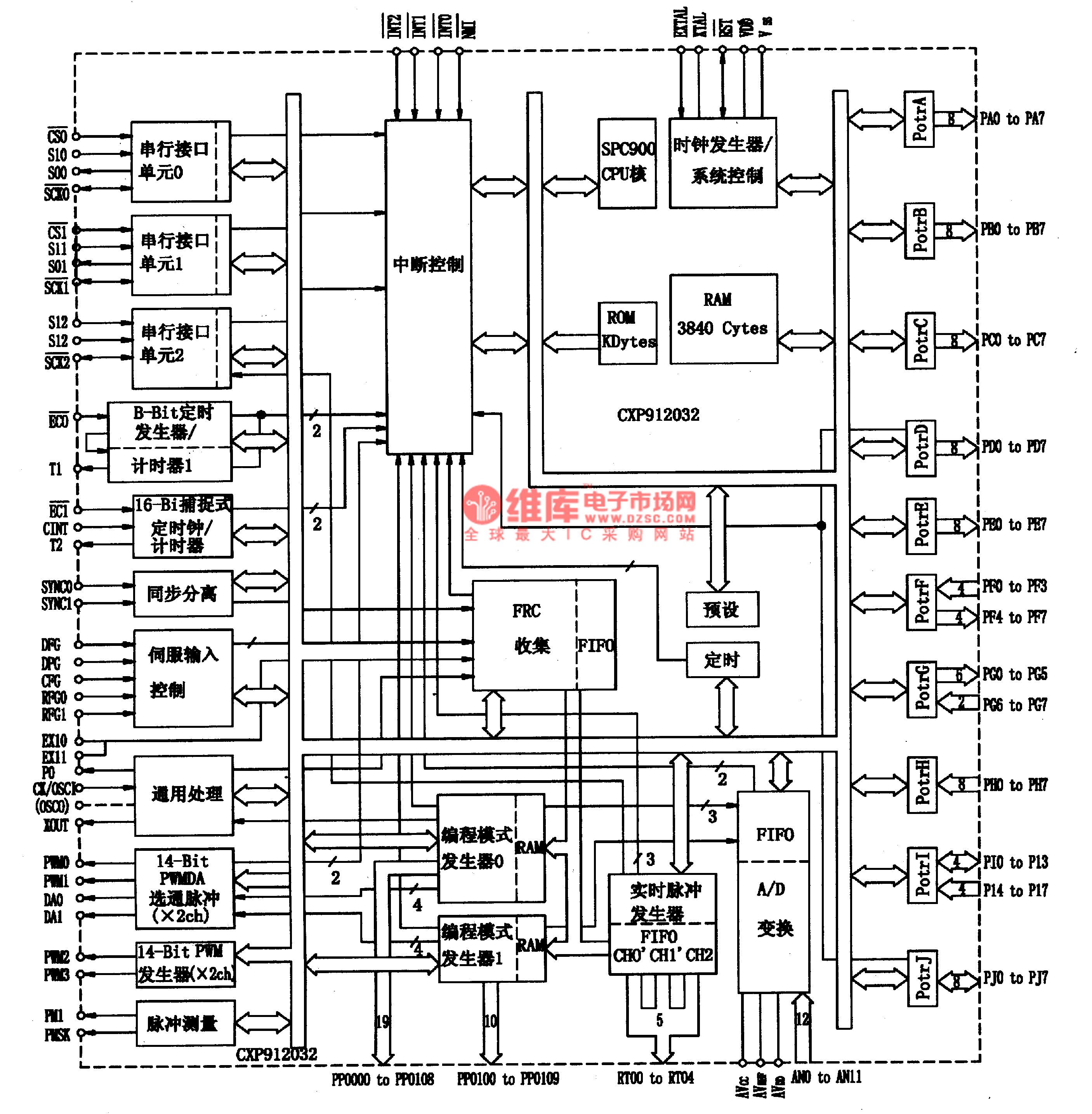
CXP912032 is a 16-bit integrated microcomputer circuit of CMOS single door produced by Sony for KHM-210AAA DVD.1.Function featuresCXP912032 contains 16 bit SPC9O0 CPU, 1281KB ROM and 6144 RAM. And it is also fixed with the series connector unit, 8 bit A/D and D/A transformer, 14 bit PWM, halt controller and servo-controlled circuit and clock circuit, etc.
Figure 1-1 the internal circuit of CXP912032
2.Pin functions and dataCXP912032 is in 100-lead QFP package.Table 1-2 Pin functions and data of CXP912032
Reprinted Url Of This Article:
http://www.seekic.com/circuit_diagram/Amplifier_Circuit/CXP912032_an_integrated_microcomputer_circuit_of_single_door.html
Print this Page | Comments | Reading(3)
Code: