Published:2013/3/18 1:43:00 Author:Ecco | Keyword: Car Power Amplifier | From:SeekIC

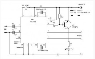
Audio amplifier is built with the main component of Philips TDA1562 IC. The TDA1562 is a monolithic integrated 70 W/4 W.Bridge-Tied Load (BTL) class-H high efficiency power amplifier in a 17 lead DIL-bent-SIL plastic power package. Its essence is that to a certain value output (approx. 20 watts) amplifier operates in the mode B. If the output power increases further, included a clever scheme to increase the voltage output stage and thus enables the amplifier to swing to a maximum power of 70 watts.
Reprinted Url Of This Article:
http://www.seekic.com/circuit_diagram/Amplifier_Circuit/Car_Power_Amplifier_based_TDA1562.html
Print this Page | Comments | Reading(3)
Code: