Published:2009/7/24 0:04:00 Author:Jessie | From:SeekIC

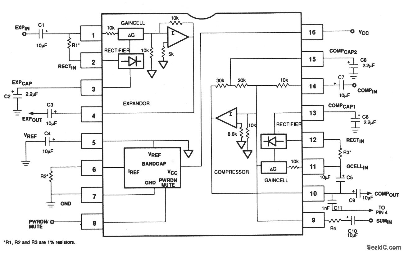
This NE/SA578 circuit is similar to that of Fig.1-34,except that the programmable dynamic range is 90 dB.
Reprinted Url Of This Article:
http://www.seekic.com/circuit_diagram/Amplifier_Circuit/Compandor_with_90_dB_range_and_power_down_mute.html
Print this Page | Comments | Reading(3)
Code: