Published:2014/5/14 21:15:00 Author:lynne | Keyword: Composed of INA331/332 resistance bridge sensor amplifier, INA331, INA332 | From:SeekIC

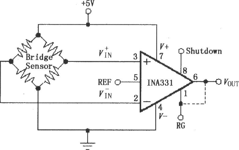
Composed of INA331/332 resistance bridge sensor amplifier circuit as shown:
Reprinted Url Of This Article:
http://www.seekic.com/circuit_diagram/Amplifier_Circuit/Composed_of_INA331_332_resistance_bridge_sensor_amplifier.html
Print this Page | Comments | Reading(3)
Code: