Published:2014/5/20 20:58:00 Author:lynne | Keyword: Constituted by the INA118 AC-coupled instrumentation amplifier, INA118, OPA602 | From:SeekIC

Constituted by the INA118 AC-coupled instrumentation amplifier circuit as shown:
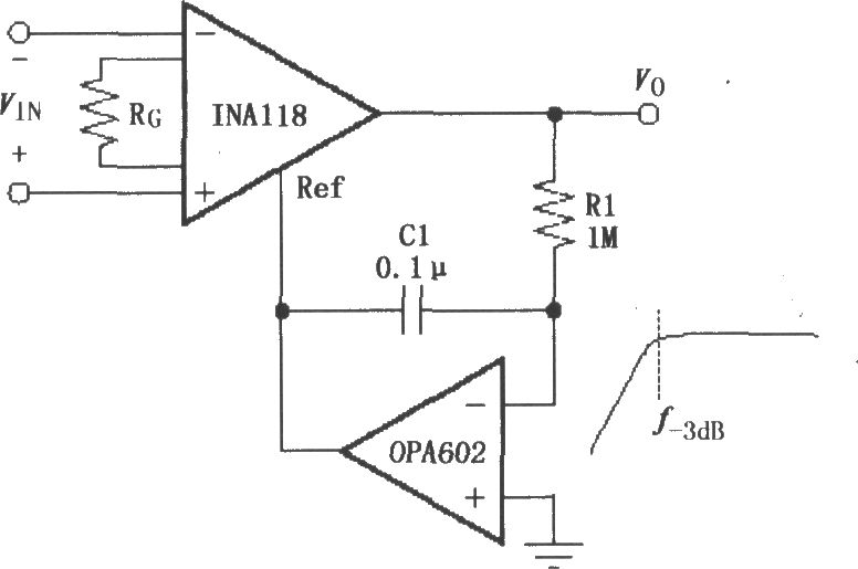
As shown by the AC-coupled constitute INA118 instrumentation amplifier. OPA602 constitute a feedback circuit with AC characteristics, f-3db = 1/2πR1C1 = 1.59Hz. The signal is fed to the Ref INA118 end (5 feet), which formed the AC coupling circuit.
Reprinted Url Of This Article:
http://www.seekic.com/circuit_diagram/Amplifier_Circuit/Constituted_by_the_INA118_AC_coupled_instrumentation_amplifier.html
Print this Page | Comments | Reading(3)
Code: