Published:2014/5/20 20:59:00 Author:lynne | Keyword: Constituted by the INA118 single supply bridge amplifier, INA118 | From:SeekIC

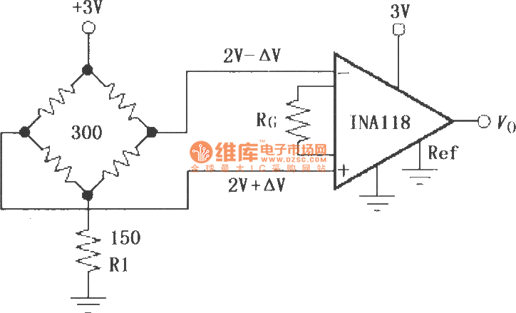
Constituted by the INA118 single supply bridge amplifier circuit as shown:
Reprinted Url Of This Article:
http://www.seekic.com/circuit_diagram/Amplifier_Circuit/Constituted_by_the_INA118_single_supply_bridge_amplifier.html
Print this Page | Comments | Reading(3)
Code: