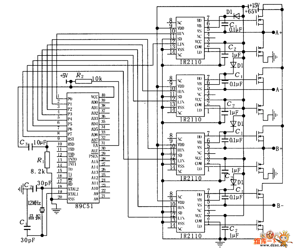
Published:2011/4/1 3:36:00 Author:Nicole | Keyword: control drive, power drive | From:SeekIC

Reprinted Url Of This Article:
http://www.seekic.com/circuit_diagram/Amplifier_Circuit/Control_and_power_drive_circuit_diagram.html
Print this Page | Comments | Reading(3)
Code: