Published:2011/5/13 21:15:00 Author:Borg | Keyword: microcomputer circuit, single door | From:SeekIC


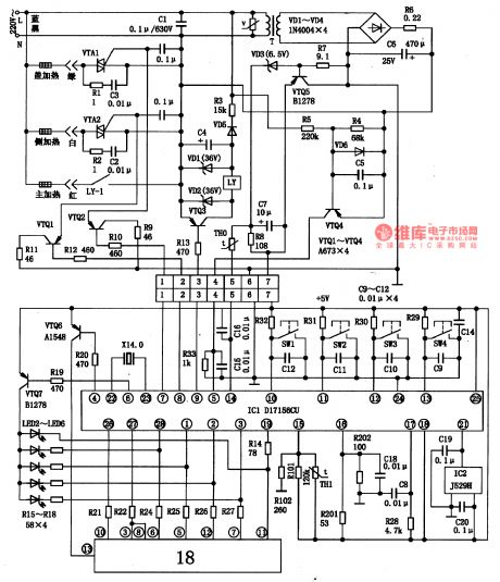
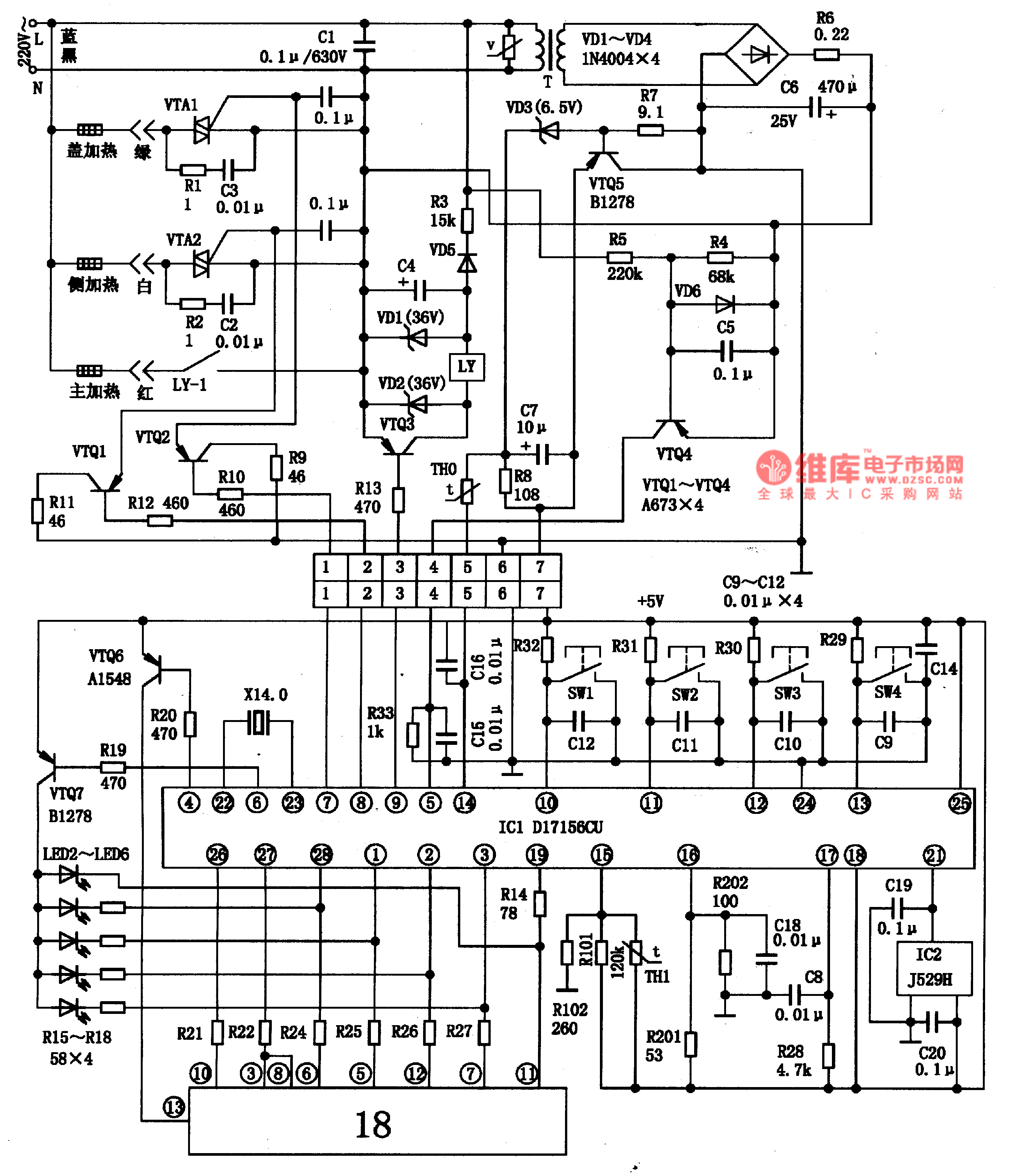
D17156CU is an integrated microcomputer circuit of single door, which is widely used in Fushibao cookers.1.function featuresD17156CU is used in Fushibao RZ-UTl8Y cookers produced by Hitachi Corp., Japan, whose typical application circuit is as shown in Figure 1-1. The chip can fulfill indefinite intelligent control of volumetric heating from buttom, ceiling and side.2.Pin functions and dataD17156CU is in 28-lead dual in-line package, whose pin functions and instructions are in Table 1-1. Table 1-1 pin functions and instructions of single door computer D17156CU
Reprinted Url Of This Article:
http://www.seekic.com/circuit_diagram/Amplifier_Circuit/D17156CU_an_integrated_microcomputer_circuit_of_single_door.html
Print this Page | Comments | Reading(3)
Code: