Published:2009/7/16 3:38:00 Author:Jessie | From:SeekIC

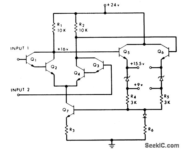
Single-stage version uses emitter-follower output to lower impedance and shift d-c level of output. Q7 and R3 form constant-current source. Zeners, formed as base-emitter junctions of transistors, shift d-c level of outputs negative by 6 V to make them compatible with input voltages and permit cascading of monolithic integrated circuits directly.-C. L. Heizman and D. G. Paterson, Circuit Analysis: A Monolithic Integrated Operational Amplifier, EEE, 13:5, p 80-84.
Reprinted Url Of This Article:
http://www.seekic.com/circuit_diagram/Amplifier_Circuit/DARLINGTON_INPUT_OPERAIIONAL_AMPLIFIER.html
Print this Page | Comments | Reading(3)
Code: