Published:2011/3/21 0:57:00 Author:may | Keyword: DC amplifier | From:SeekIC

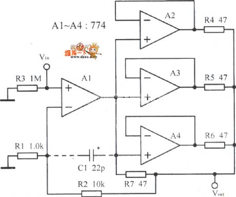
DC amplifier circuit is show in the following diagram:
Reprinted Url Of This Article:
http://www.seekic.com/circuit_diagram/Amplifier_Circuit/DC_amplifier_circuit.html
Print this Page | Comments | Reading(3)
Code: