Published:2009/7/17 3:03:00 Author:Jessie | From:SeekIC

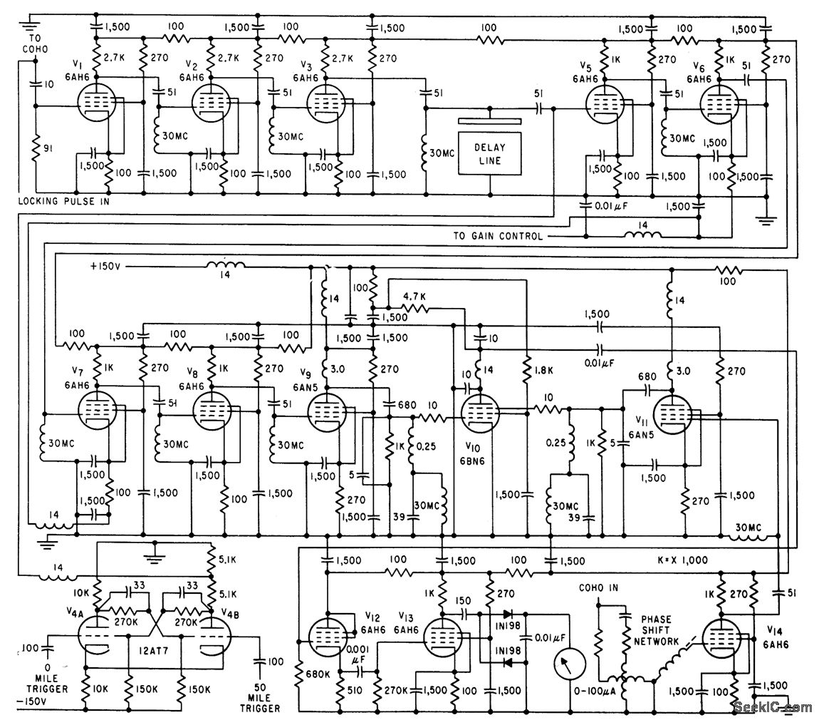
Used with ultrasonic delay line and 30-Mc Gaussian noise source to simulate actual clutter received during consecutive radar sweeps. Input 1 is amplified version of delay line output signal, which is added to noise input 2 in common plate load of V1 and V2, for amplification by V3. These three tubes together with tuned input to delay line form staggered Butterworth triple centered on 30 Mc, with half-power band-width of 2.75 Mc. Third input permits insertion of pulse for precise synchronizing lo repetition frequency of clutter simulator.-J. Atkin, H. J. Bikel, and M. Weiss, Realistic Simulation of Radar Clutter, Electronics, 32:39, p 78-81.
Reprinted Url Of This Article:
http://www.seekic.com/circuit_diagram/Amplifier_Circuit/DELAY_LINE_AMPLIFIER_FOR_CLUTTER_SIMULATOR.html
Print this Page | Comments | Reading(3)
Code: