Published:2009/7/8 21:44:00 Author:May | From:SeekIC

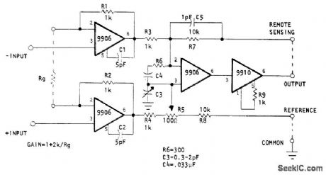
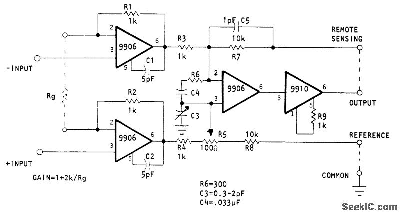
Provides gain up to 1000, depending on value of Rg, for video signals in radar, medical ultrasound,laser communication, and laser rangefinder applications. Uses three Optical Electronics 9906 wideband opamps and 9910 current booster for cable ddve. Bandwidth is above 10 MHz for gains of 0.1 to 100, decreasing to 5 MHz at gain of 1000. Miller compensation of input amplifiers minimizes noise level and gives input impedance of 5 megohms and 5 pF.- Wide Band Instrumentation Amplifier, Optical Electronics, Tucson, AZ, Application Tip 10276.
Reprinted Url Of This Article:
http://www.seekic.com/circuit_diagram/Amplifier_Circuit/DIFFERENTIAL_INPUT_AMPLIFIER.html
Print this Page | Comments | Reading(3)
Code: