Published:2009/7/14 6:46:00 Author:May | From:SeekIC

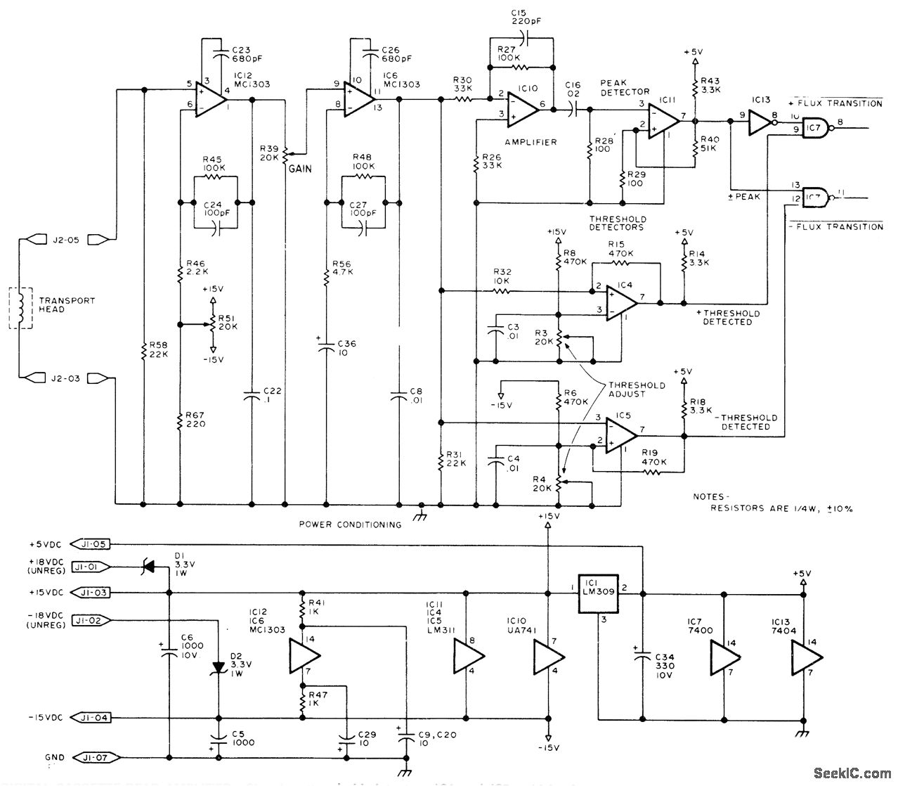
Signal from magnetic head of digital tape cassette is amplified by two-stage MC1303 amplifier providing analog output of about 4 V P-P to μA741 opamp IC10 of LM311 peak detector 1C11. Signal also goes to LM311 positive and negative threshold detectors is low; above reference, output is high. Negative threshold detector operates similarly for negative pulses. Time jitter in outputs is eliminated by detecting peak of analog read signal, then combining result with threshold in. formation in peak detector. Circuit is used ; Phi-Deck cassette system made by Economy Company, Oklahoma City.-I, Rampil and J. Breimeir, The Digital Cassette Subsystem: Dig-ital Recording Background and Head Interface Electronics, BYTE, Feb. 1977, p 24-31.
Reprinted Url Of This Article:
http://www.seekic.com/circuit_diagram/Amplifier_Circuit/DIGITAL_CASSETTE_READ_AMPLIFIER.html
Print this Page | Comments | Reading(3)
Code: