Published:2009/7/10 5:10:00 Author:May | From:SeekIC

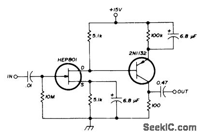
Combination of unipoiar and bipolar transistors gives desirable am plifying features of each solid-state device. Can be used as speech amplifier and for other low-level audio applications.-I. M. Gottlieb, A New Look at Solid-State Amplifiers, Ham Radio, Feb.1976, p 16-19.
Reprinted Url Of This Article:
http://www.seekic.com/circuit_diagram/Amplifier_Circuit/DIRECT_COUPLED_AF.html
Print this Page | Comments | Reading(3)
Code: